Applied Physics

Article teaser image

Superdense Capacity in Linear Optics Gets A Bit Denser

Using classical coding, a single photon will convey only one of two messages - one bit of information. In dense coding, a single photon can convey one of four messages - two bits of information. University of Illinois researchers say they have broken the record for the most amount of information sent by a single photon using the direction of “wiggling” and “twisting” of a pair of hyper-entangled photons. Doing so, they have beaten a fundamental limit on the channel capacity for dense coding with linear optics. “Dense coding is arguably the protocol that launched the field of quantum…
Article teaser image

This Robot Can Bring You A Beer - Without Being Told

Since robots live in a binary world, it is difficult to program them in a way where they can understand the nuances and inflections of human speech among many different people. A team of researchers from the Georgia Institute of Technology and Emory University may have made that unnecessary. They can instruct a robot to find and deliver things using something more direct than speech - a laser pointer. El-E (pronounced like the name Ellie), a robot designed to help users with limited mobility with everyday tasks, autonomously moves to an item selected with a green laser pointer, picks up…
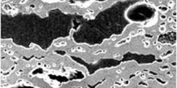
Article teaser image

Numerical Model Predicts Long-Term Stress And Strain In Michelangelo's David

For statues, hidden stress and fractures result from standing in place for hundreds of years. Researchers have now developed a way to predict such fracturing, applying the procedure to Michelangelo's David in an analysis that proved simpler, faster and more accurate than previous methods. In applying the technique to other objects -- including human bones -- the researchers are also gaining new perspective on how these structures are likely to fail. On March 18, 2008, Vadim Shapiro of the University of Wisconsin-Madison, Igor Tsukanov of Florida International University and their colleagues…
Article teaser image

Mysteries Linger Over Lemur's Little Finger

A lemur is a monkey-like animal with a long tail and large eyes. Analysis of the first hand bones belonging to an ancient lemur has revealed a mysterious joint structure that has scientists puzzled. Pierre Lemelin, an assistant professor of anatomy at the University of Alberta in Edmonton, Canada, and a team of fellow American researchers have analyzed the first hand bones ever found of Hadropithecus stenognathus, a lemur that lived 2,000 years ago. The bones were discovered in 2003 in a cave in southeastern Madagascar, an island nation off the coast of Africa in the Indian Ocean.…
Article teaser image

New Membrane Boosts Hydrogen Fuel-Cell Technology

Fuel cells are commonly used in such settings as satellites, submarines or remote weather stations because they have no moving parts, do not require combustion and can run unattended for long periods of time. However, current fuel cells lose efficiency as the temperature rises and the humidity falls. Researchers at Duke University’s Pratt School of Engineering have developed a membrane that allows fuel cells to operate at low humidity and theoretically to operate at higher temperatures. They reported their findings online in the Journal of Membrane Science. While there are many types of fuel…
Article teaser image

California Micro Devices to Present WLCSP Paper and Host Panel at IMAPS in Scottsdale

SCOTTSDALE, Arizona, March 18 /PRNewswire/ -- - CMD Paper on New Re-Passivation Technology to be Presented as Part of WLCSP Forum Program Track California Micro Devices announced it would deliver a technical paper on a new CSP repassivation technology designed to minimize parasitic elements in ASIP(TM) (Application Specific Integrated Passive(TM)) products at the IMAPS 4th Annual International Conference and Exhibition on Device Packaging, March 17th through March 20th, 2008, at the Radisson Fort McDowell Resort and Casino in Scottsdale, Arizona. The presentation will be part of a technical…
Article teaser image

Atmel Introduces Mixed Mode Analog Companion IC for Low-cost Music Players

ROUSSET, France, March 18 /PRNewswire/ -- - AT73C209 Regulates Power Supplies from 1-cell Alkaline Battery and Generates High-quality Audio Signals Atmel(R) Corporation (Nasdaq: ATML) announced today the release of its AT73C209 Analog Companion power supply and audio interface IC designed for low-cost music players. The AT73C209 supplies the required voltages and currents to all the sections of these portable devices taking energy from a single alkaline battery, and also provides a high-quality audio interface. The AT73C209 integrates power management and high-quality audio circuitry on a…
Article teaser image

Cedar Point Increases Presence in EMEA; Names Ivan Arietta as Vice President, Sales

DERRY, New Hampshire, MEERSBURG, Germany and SOPHIA ANTIPOLIS, France, March 18 /PRNewswire/ -- Cedar Point Communications, a worldwide leader in integrated Voice over IP (VoIP) switching technologies for service provider and enterprise telecommunications, today announced an increase in its presence in the European, Middle Eastern and African markets with the naming of telecommunications business development veteran Ivan Arietta as Vice President, Sales. Arietta, whose 30-year international background includes positions as vice president with Avaya, Sonus Networks and Nortel Networks, will…
Article teaser image

Zirconia Breakthrough Means 'Self-Renewing' Engine Blades For Airplanes

Jet engines operate at temperatures of thousands of degrees Fahrenheit and blades in the most advanced aircraft engines are coated with a thin layer of temperature-resistant, thermally-insulating ceramic to protect the metal. The coating -- referred to as a thermal-barrier coating -- is designed like an accordion to expand and contract with the metal. The problem: When sand hits the hot engine blade it melts -- and becomes glass. “Molten glass is one of the nastiest substances around. It will dissolve anything,” says Nitin Padture, professor of materials science and engineering at Ohio State…
Article teaser image

The Bystander Effect: Advanced Animation Could Lead To New Psychology Studies

The bystander effect suggests that the more witnesses there are to an emergency, the less likely an individual bystander is to intervene. This phenomenon was identified as a particular consequence of the assault and murder of Kitty Genovese in New York in 1964, which was witnessed by some 38 people, all of whom remained bystanders and failed to come to Kitty’s aid. Scientists have been unable to study the bystander effect, even under controlled conditions, due to ethical and practical reasons. However, researchers say advanced animated humans and environments created by the National Centre…