Pheromones Make Mating Less Mysterious

Pheromones Make Mating Less Mysterious

For bees, anyway. People are out of luck. A research team led by the University of Illinois has identified an odorant receptor that allows male drones to find a queen in flight. The receptor, on the…
Some Genetic Impact Of Smoking Irreversible

Some Genetic Impact Of Smoking Irreversible

Only about a fifth of the genes in a cell are switched on at any given time but environmental changes such as smoking lead to changes in that genetic activity. According to a Canadian team led by…
Pseudoceramides: New Skin Healing Chemicals

Pseudoceramides: New Skin Healing Chemicals

Researchers have made synthetic lipids called pseudoceramides that are involved in skin cell growth and could be used in treating skin diseases in which skin cells grow abnormally. Ceramides are…
Understanding How Obese Fat Cells Work

Understanding How Obese Fat Cells Work

In obese individuals, fat cells are bloated and inflamed because they receive too many nutrients, including lipids. In these cells, various components cannot work properly anymore and, instead, they…
New Heart Anti-Inflammatory Also Helps Kidneys

New Heart Anti-Inflammatory Also Helps Kidneys

Scientists have discovered that a lipid known to protect the heart from inflammation and to cause skin allergic reactions also reduces inflammation of the kidneys. The discovery could help devise new…
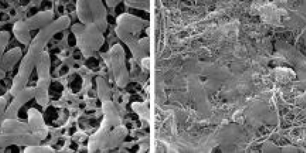
Using Nanotechnology To Fight E. Coli

Using Nanotechnology To Fight E. Coli

Single-walled carbon nanotubes (SWCNTs) can kill bacteria like the common pathogen E. coli by severely damaging their cell walls, according to a recent report from Yale researchers in the American…
Healing Punctured Lungs With Ultrasound

Healing Punctured Lungs With Ultrasound

Engineers at the University of Washington are working with Harborview doctors to create new emergency treatments right out of Star Trek: a tricorder type device using high-intensity focused…