Applied Physics

Article teaser image

Marc Andreessen Joins Facebook Board of Directors

PALO ALTO, California, June 30 /PRNewswire/ -- Facebook today announced that Marc Andreessen has joined its board of directors. Currently co-founder and chairman at Ning, Andreessen is an investor in several Internet startups. "Marc is an industry leader, and we're fortunate to have him join our board," said Facebook founder and CEO Mark Zuckerberg. "He has experience that is relevant to Facebook in so many ways: scaling companies that are experiencing extraordinary growth, creating successful technology platforms, and building strong engineering organizations. I know Marc will be a great…
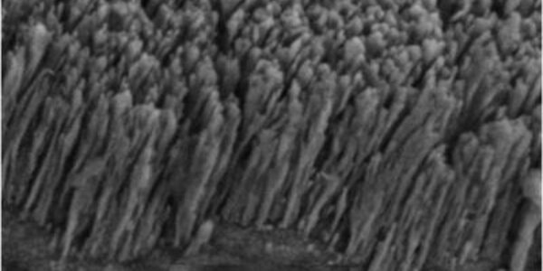
Article teaser image

The Future Is Still Plastics - Like Robot 'Skin' And Flexible Laptops

"I want to say one word to you. Just one word," spoke Mr. Maguire to young Benjamin in the 1967 film The Graduate. That word was 'plastics' and it became a cultural litany meaning lots of different things but it's never been more true in its original form. Plastics are still the future. With market analysts predicting an increase from £1.5 billion to £15.5 billion in the value of the organic light emitting display industry by 2014, it is no surprise that scientists and governments alike are keen to advance research into new 'plastics' - in this case the electronic kind. For a long time,…
Article teaser image

Sol Invictus - Solar-Powered, Student-Built Cross-Country Race Car Almost Ready To Go

Sol Invictus, Iowa State University's student-designed and student-built solar race car, is getting ready to compete in the North American Solar Challenge July 13-22. The challenge will take 24 student-designed and student-built solar race cars from Plano, Texas, to Calgary, Alberta, Canada. They’ll make the 2,400-mile run July 13-22, with a checkpoint in Omaha, Neb., July 15-16 and a stage stop in Sioux Falls, S.D., July 16-18. The route between those cities takes the solar cars into western Iowa for a few hours. Team PrISUm did very well in 2005, the last time the challenge was contested.…
Article teaser image

Tongue Drive System Helps Severely Disabled Have More Independence

A new assistive technology developed by engineers at the Georgia Institute of Technology could help individuals with severe disabilities lead more independent lives. The novel system allows individuals with disabilities to operate a computer, control a powered wheelchair and interact with their environments simply by moving their tongues. The tongue-operated assistive technology, called the Tongue Drive system, was described on June 29 at the 2008 Rehabilitation Engineering and Assistive Technology Society of North America (RESNA) Annual Conference in Washington, D.C. An article about this…
Article teaser image

New International Study From Continental

HANOVER, Germany and VIENNA, June 27 /PRNewswire/ -- - Hybrid and Electric Vehicles Gaining Recognition Worldwide - Automotive Supplier Continental Presents Results of an Unprecedented Study - Increasing Fuel Prices are Driving a Change in Thinking - Approximately Half of all Drivers Would Like an Emission-Free, Battery-Powered Car for Urban Traffic - Consumer Acceptance of Hybrid Vehicles is Increasing Internationally - Especially When Government Incentives are Offered - Nearly Two-Thirds of Motorists Travel on Short Routes and/or in Urban Traffic, Providing Significant Potential for Hybrid…
Article teaser image

Mystery Molecule Leads To Quantum Discovery

The odd behavior of a molecule in an experimental silicon computer chip has led to a discovery that opens the door to quantum computing in semiconductors. In a Nature Physics journal paper currently online, the researchers describe how they have created a new, hybrid molecule in which its quantum state can be intentionally manipulated - a required step in the building of quantum computers. "Up to now large-scale quantum computing has been a dream," says Gerhard Klimeck, professor of electrical and computer engineering at Purdue University and associate director for technology for the national…
Article teaser image

Science versus Engineering

A friend wonders what I think about this editorial by Chris Anderson, the editor of Wired. Anderson says “faced with massive data, this approach to science — hypothesize, model, test — is becoming obsolete.” Anderson confuses statistical models with scientific ones. As far as the content goes, I’m completely unconvinced. Anderson gives no examples of this approach to science being replaced by something else. For me, the larger lesson of the editorial is how different science is from engineering. Wired is mainly about engineering. I’m pretty sure Anderson has some grasp of the subject. Yet…
Article teaser image

Corsair Dominator Delivers Extreme Speed & Performance in New Alienware Area-51 ALX Desktop

FREMONT, California, June 26 /PRNewswire/ -- - Alienware Area-51 ALX Overclocked to 1600MHz for High-Performance Gaming Corsair(R) http://www.corsair.com, a worldwide leader in high performance computer and flash memory products, announced today that the recently relaunched Alienware Area-51(R) ALX high performance gaming platform now includes 4GB of Corsair's award winning overclockable DOMINATOR DDR3 memory. Using Corsair's DOMINATOR memory modules, the Alienware Area-51 ALX runs with rock-solid stability at the overclocked memory frequency of 1600 MHz. "It was important to use DDR3 memory…
Article teaser image

Nanotechnology Can Even Boil Water!

If you remember the early days of computers, you saw some marketing claims that seemed to make sense but quickly evaporated when reality hit - you could store all your recipes, for example, until you realized computers were as loud as a turbo jet and used almost as much energy so it was not wise to keep them on - so keep a box with some index cards in it was much better. You may feel the same way about adding an invisible layer of nanomaterials to the bottom of a metal put just so you can boil water using a lot less energy. While this increase in efficiency could some day have a big impact…
Article teaser image

Looking for London's Best Office

LONDON, June 26 /PRNewswire/ -- - Working Buildings 2008 - 8-9 October 2008 - Olympia, London The organisers of the London-based built environment exhibition Working Buildings 2008, is searching for London's best office. The Office of the Year award will honour businesses within the capital for office innovation and excellence, with particular emphasis on energy and waste management. The award is a new addition to the Working Buildings Innovation Awards which takes place during Working Buildings 2008 at London Olympia from 8-9 October 2008. Event Director of Working Buildings 2008, Adrian…